Physics Department
ToC ☰
PHYS 2P20
Lectures
Homework
Lab Manual
The Class
Outline
Integrity
Calendar entry
Help
Home
>
Courses
>
2P20
>
Tracker
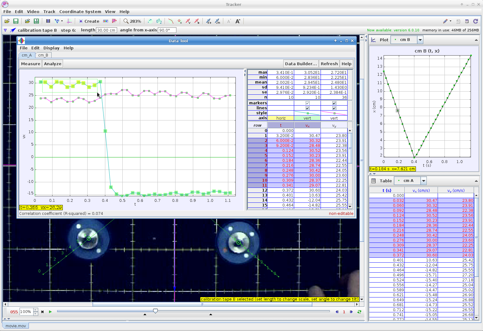
Analysing video clips of colliding pucks using
Tracker
20. In Tracker, select a subset of data, right-lick to open Data Tool
1812 Sir Isaac Brock Way
St. Catharines, Ontario, L2S 3A1
Phone: +1.905.688-5550
ext.
3412
Email:
[email protected]
Fax: +1.905.984-4857
[Disclaimer]
Updated: 08-Oct-2022 18:05